VPA - Public Address Amplifiers: Difference between revisions
From Zenitel Wiki
m (1 revision imported) |
No edit summary |
||
| (One intermediate revision by one other user not shown) | |||
| Line 637: | Line 637: | ||
* [[VPA-400]] | * [[VPA-400]] | ||
[[Category:Public Address]] | [[Category:Public Address - Analog amplifiers]] | ||
Latest revision as of 11:47, 13 April 2018
INTRODUCTION
About this document
This manual is intended to give relevant information on the system
features, available equipment, typical configurations, simplified wiring
and programming and technical data for the concept.
This document is aimed at:
- Consultans
- Installers
- End users
Equipment covered by this document
Public adress amplifiers:
- VPA-120 (120 W)
- VPA-240 (240 W)
- VPA-400 (400 W (*1))
Note! The amplifiers are delivered for 230 VAC as standard. For 115 VAC mains, a plug must be removed and fuses must be changed. See section 3.3.4.
Rules and regulations
The VPA system and its components have been tested according to the following regulations:
- EN 60065: 2002
- “Audio, video and similar electronic apparatus. Safety requirements”
- IEC 60533: Second edition, 1999
- "Electrical and electronic installation in ships - Electromagnetic compatibility".
- EN 60945: Fourth edition, 2002
- "Maritime navigation and radio communication equipment and systems - General requirements - Methods of testing and required test results".
- IACS E10: Corr.1 July 2003
- "Unified environmental test specifications - Testing procedure for electric control and monitoring, safety and protection, onboard computer based systems and peripherals, loading instruments, internal communication and other electrical equipment as considered appropriate".
Publication log
v.1.0 - Sep. 2007
CONNECTORS AND CONTROLS
The connectors and controls of all three amplifier types are identical except for the maximum rated output power.
1 - Overload warning 2 - Fault warning 3 - VU-meter, -18, -10, -6, 0, +1dB 4 - Mains switch 5 - Power-on lamp 6 – 24 VDC backup power 7 – Frame ground connection 8 – Mains power connector and fuse 9 – Loudspeaker connections 10 – Pre-warning chime signal control 11 – Master volume control 12 – Master tone controls 13 – Entertainment input and output with volume preset 14 – Call/alarm audio input and output with volume preset 15 – 8 ohm monitor loudspeaker output with volume control 16 – no/nc relay for amplifier fault warning 17 – 24 VDC 800 mA power to external equipment 18 – Remote volume control 19 – Priority over entertainment input
Cabinet
The amplifier is prepared for mounting in a standard 19” rack and will occupy 3HU (133 mm) in height. The amplifier can also be free-standing on a level, open surface. Each amplifier has a built-in cooling fan, the front and back must be kept free of objects in order to secure sufficient air flow.
Power
The amplifiers are powered from 230 or 115 VAC mains, or 24 VDC.
The mains voltage is set inside the amplifier (default setting is 230 V). There is a mains circuit breaker on the cabinet front, and a mains fuse in conjunction with the mains inlet. The fuse value depends on the amplifier type.
24 VDC can be used as a backup source in case of mains power failure. The 24 V backup is not turned off by the mains switch or interrupted in
case of a blown mains fuse.
If an accumulator is used as 24 V backup, it will not be charged from the amplifier.
24 VDC/800 mA is available from the amplifier for external equipment.
The amplifier must be grounded either through the earth leg in the mains plug or by a 1.5 mm wire between the amplifier’s ground terminal and proven good grounding point, e.g. the rack frame.
Signal inputs
There are two inputs with 3-pin XLR connectors:
- Entertainment (BGM) for background music etc. with separate preset input level control.
- Call / alarm input for announcements and alarm messages with separate preset input level control.
Both inputs are connected in parallel with signal outputs to slave amplifiers or recorders.
There are common master tone- and volume controls for both inputs. In addition, the volume may be controlled remotely by an external potentiometer.
A call input signal will automatically mute the BGM entertainment source (VOX function). This can also be achieved manually by connecting the microphone switch to the priority terminals.
A pre-warning chime signal can be given in front of a message when a priority switch is pushed. This feature can be switched on/off and the chime loudness can be adjusted.
Loudspeaker outputs
There are three loudspeaker outputs:
- Call and Background Music (BMG), full power output available on an 8 Ohm terminal as well as on a 100 V constant voltage line.
- Call only, full power output on a 100 V constant voltage line. This terminal carries no background music.
- Monitor Loudspeaker, 1 W power output to an 8 Ohm loudspeaker, normally mounted close to the amplifier to monitor entertainment and call channels. The output has a separate volume control.
Optional connections
- Fault Relay, NO/NC contacts of a built-in relay is available for remote warning devices. The relay is activated during various fault conditions such as shorted speaker lines and overload.
- DC Out, 24 VDC/800 mA is available for optional equipment.
- Remote, connection of remote master volume control. A logaritmic 22 kOhm potmeter is suitable.
- Priority, by pushing a button on the microphone, a chime signal is manually activated in front of a message.
Indicators
- Power on, red LED is lit when the amplifier is powered from mains or battery.
- VU-meter, row of five LEDs indicating the signal pressure from -18 dB to +1 dB.
- Fault, a red warning LED will be lit if the master volume is set to less than 40%, or if the loudspeaker line is shorted. A fault relay will be activated during fault conditions; the switch-over contacts are available on the rear for remote warning devices.
- Overload, a red warning LED will be lit if the input signal is too high, or if the loudspeaker impedance is too low (too many loudspeakers in parallel) or shorted loudspeaker line.
INSTALLATION
Unpacking
The amplifier was thoroughly checked at the factory. Inspect the amplifier, the enclosed parts and the shipping container for signs of improper handling during shipment. If you find any damage, immediately contact the dealer from whom you purchased the unit to make a claim.
Mounting
The amplifier should be installed in a technical room with adequate ventilation, a recommended temperature between 18-25OC, less than 95% RH and an AC power outlet with provision for grounding.
The VPA rack is compass safe at a distance of >325 cm and the VPA panel needs 95 cm to be compass safe.
The amplifier is prepared for mounting in a rack with a standard width of 483 mm (19”), and 133 mm (3 HU - 5 ¼”) vertical space.
The rack must provide sufficient ventilation. A 1 HU ventilation grid above the amplifier is recommended if more than one amplifier are
mounted.
When VPA units are delivered ready mounted in a 19” rack like SPA and VPA systems, the 1HU grid is included.
WARNING:
Failure to observe the above precautions could result in overheating that could damage the equipment or create a fire hazard.
See also the data sheet for each amplifier.
Wiring
Cable requirement, marine installataions
All electrical wiring external to the equipment shall be approved shipcable of type 0.75 mm2 twisted pair with outer braided copper screen.
The cable should at least be a flame-retardant type to cover the requirement in SOLAS Ch. II-1/45.5.2.
Where cables for service are required to be operable under fire conditions, they must be a fire resistant type complying with the requirements of IEC 60331. That is where the cables pass through machinery spaces of category A and other high fire risk areas other than those which they serve.
For passenger vessels this requirement also applies for cables passing through main vertical fire zones (IACS UR E15).
- Examples of high fire risk areas are, apart from machinery space of category A:
- - Galleys and pantries containing cooking appliances
- - Laundry with drying equipment
- - Spaces defined by §§ (8), (12) and (14) of SOLAS Ch.II-2 Reg. 9.2.2.3.2.
- - Areas with fuel handling equipment
- The following electrical services are required to be operable under fire conditions:
- - Fire and general alarm system
- - Public address system
Cable layout
- Do not run the installation cable from microphone and alarm panels parallel to, or to near the cables for loudspeakers or power cables.
- The screens must be interconnected in junction boxes and grounded in the VPA main unit only. It is good practice to have separate conducts for each type of signal cabling.
- Two-conductor shielded cable is required for the microphone.
Mains power
WARNING: Do not connect AC power to the amplifier until all the necessary input and output connections have been completed. The customer must provide a dedicated single phase power input which should adhere to the following recommendations:
- 230 VAC, 50-60 Hz, fused and capable of delivering a maximum of 2 A per 100 Watt amplifier power.
- 24 VDC emergency power (if required), fused and capable of delivering a maximum of 8 A per 100 Watt amplifier power.
- The operating power should be wired and fused independently from all other inputs.
- The power must not be controlled by a mains switch.
- A warning tag should be attached to circuit-breaker-type fuses to prevent unauthorized manual operation.
- The mains power cable must be 3 x 2.5 mm2 rated for 500 VAC.
- The 24 VDC power cable dimension has to be calculated depending on the total low voltage power consumption and cable length.
- Proper grounding is essential for reliable operation.
Note! The VPA unit has to be connected to the vessel’s central
ground.
115 VAC mains
- Be sure the amplifier is set for the correct mains voltage. Default setting is 230 VAC.
- If there is 115 VAC in the mains outlet, a plug must be moved inside the cabinet.
- - Open the cabinet by removing the screws on both sides and remove the top cover.
- - Locate the power board close to the mains transformer and move the plug on CN3 (230V) to CN6 (115V).
- Change the fuse values according to the table in section 5.3.
Grounding
WARNING:
Do not disconnect the third (yellow/green) wire in the power plug. This wire grounds the amplifier’s chassis to prevent a possible shock hazard.
If an adapter is used to connect the plug to an ungrounded outlet, make sure that the amplifier’s chassis is connected to the vessel’s central ground.
In a rack installation, the amplifier’s grounding point is connected to the
rack frame.
Input connection
The CALL and BMG line inputs are balanced, accepting 0.5 -1.5 Vrms signal over 47 Kohm. The input level is adjustable +/- 6 dB.
- The signal source is connected between pin 2 and 3, the wire screen is connected to pin 1. Pin 2 is the “warm” side.
- Connect the entertainment source to the BGM input.
- Connect the dynamic microphone to the CALL input.
If the signal source is unbalanced, connect the signal wire to pin 2, and the neutral to pin 3.
- If two or more amplifiers are used in parallel, connect the OUT terminals on the main amplifier to the corresponding IN terminals on the slave amplifier.
The input levels must be adjusted individually.
Loudspeaker connections
WARNING:
Installation and service shall be performed by qualified personnel only. Disconnect power supply before servicing.
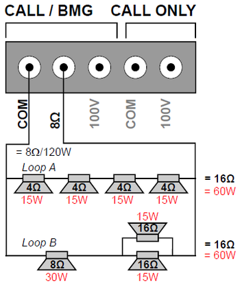
Low impedance
The 8 Ohm low impedance CALLl/BGM output is used when the wires to the speakers are relatively short and the line loss is less than 0.5 dB.
Most audio- and sound-system handbooks have tables listing the line loss for different wire sizes and loads.
Use serial and/or parallel speaker arrangements as needed to obtain proper impedance and power matching.
For best performance, select a coarse wire size and make sure the total loudspeaker impedance adds up to 8 Ohm.
It is important to select speakers capable of handling the actual power.
Example:
Output power = 120 W, 6 speakers of 15 W, 1 speaker of 30 W.
Loop A = 4 x 4 Ohm = 16 Ohm 120 W / 2 = 60 W Loop B = 8 Ohm + 16//16 Ohm = 16 Ohm 120 W / 2 = 60 W Loop A//B = 16//16 Ohm = 8 Ohm
Constant voltage lines
The 100 V connectors for CALL/BGM and CALL ONLY should be used when a large number of speakers are installed and/or the speakers are placed far from the amplifier. Speakers with a line-matching transformer designed for constant voltage lines must be used.
The speakers must be connected in parallel. The impedance taps on the primary of the line transformers decide the power taken from the line. One or more speakers may be removed or added without disturbing the rest of the system.
Speakers are added as needed until the total wattage absorbed by the line transformers is equal to the rated output power of the amplifier. It is good practice to give power headroom of 10-20%. i.e. a speaker load of 100 W on a 120 W amplifier.
Note that the total load is calculated from the load on CALL/BGM + CALL ONLY.
Example:
Calculate the max number of 6 W speakers on a 240 W amplifier. Number of speakers = Amplifier power/Speaker power = 240/6 = 40.
Optional connections
Monitor loudspeaker
Mount an 8 ohm loudspeaker rated at minimum 1.5 W close to the amplifier to monitor entertainment and call channels.
Connect the loudspeaker wires to the MONITOR terminals marked COM and 8Ω.
Adjust the volume to a desired value with the pot. next to the terminal.
Fault relay
Connect one wire from an external warning device to the FAULT RELAY terminal marked COM.
Insert a suitable power supply between the other device wire and the NO terminal.
The power on the DC OUT terminals may be used if the warning device works on 24 VDC and consumes less than 800 mA.
The relay contacts can switch up to 7 A at 230 VAC or 30 VDC.
DC out
Optional equipment related to the PA amplifier may be powered from the DC OUT terminals if the device works on 24 VDC and consumes less than 800 mA. This output is protected by a 1 A thermistor.
Note the polarity if the device is polarity dependant.
Remote volume control
Mount an optional 22 kOhm log potentiometer in a convenient place in order to adjust the master PA volume.
Use a shielded cable to connect the volume control to the REMOTE terminals. The center tap on the pot is connected to the rightmost terminal and the shield connects the cold pot tap to the left terminal.
Priority
A push-button, normally on the announcement microphone, is connected to the PRIORITY terminals to establish a chime signal in front of a call. The CHIME switch must be ON.
STARTUP AND OPERATION
System check-out
Preparations
- Be sure all connections are properly made according to chapter 3.
- Turn all volume controls to min. position (CCW).
- Connect the power cord to the mains outlet.
- Turn the mains switch ON and check that the POWER LED is on. The FAULT and OVERLOAD LEDs should not be lit.
- None of the VU-meter LEDs should be lit. The first green LED (-18 dB) may be glowing.
Sound
A signal source should be connected to the BGM input and a microphone to the CALL input.
Background music check
- Turn the signal source on and set the BGM level pot. to mid position.
- If a remote volume control is connected, set it to max. position.
- Adjust the master volume to an agreeable level.
- Check that all loudspeakers connected to the CALL/BGM output are sounding without distortion. Loudspeakers connected to the CALL ONLY output should be silent.
- The VU-meter should indicate up to the yellow field (0 dB).
- If a remote volume control is connected, turn it CCW to check it function. Turn it fully CW before proceeding.
- If a monitor speaker is mounted, turn its volume control CW to check the sound in the monitor.
Call Check
The PA amplifier has an automatic VOX control which means that if a signal on the CALL input exceeds ca. 300 mV, the signal on BGM will be muted. If the signal is less, the call signal will be mixed with BGM.
- Set the CALL level pot. to mid position.
- Activate the microphone by pressing its button. The BGM should be muted and the spoken message should be clearly reproduced in all loudspeakers.
- If the CHIME feature is implemented, set the CHIME switch to ON and the CHIME volume to mid pos. A “Ding-Dong” signal should be heard before the message.
- With the mic button still depressed, stop talking. The background music should softly return after 3-4 sec. This delay may be adjusted with a pot on the lower left board (AMP-1) inside the amplifier.
- Release the mic. switch.
- Adjust the BGM, CALL, CHIME and MASTER volume controls as well as BASS and TREBLE to optimal sound and balance.
- If a remote volume control is connected, the MASTER volume should be turned to max., and the remote volume control should be used to set the correct level.
Speaker line fault detection
A 23 kHz tone is continuously transmitted on the loudspeaker line to detect faulty lines. The switch on the upper left board (AMP-2) inside the cabinet should be ON to enable this function. Note that on newer revisions of the amplifier this switch is available on the back of the amplifier, labeled "Monitor On/Off". Also the trimming potensiometer is available on the back, and removal of the cabinet cover is not neccessary.
If the FAULT LED on the front is on without any obvious reasons, or the first VU-meter LED is lit without any signal source, the pilot tone level may need adjustment.
- Set all volume controls to their final levels.
- Turn the power OFF and remove the cabinet cover.
- Reconnect the power and locate the trimming pot on the AMP-2 board. No external signal must be applied to the amplifier.
- Turn the pot CW until the first green LED (-18 dB) is lit. Observe that the FAULT LED is off.
- Turn the pot slowly back CCW until the LED just extinguishes. Observe that the FAULT LED is off.
The pilot tone level should now be correct.
- Turn the power off and remount the cabinet cover.
SERVICE
Service information
All service on this unit should be performed by qualified service technicians only.
- Contact your local VINGTOR / STEENHANS dealer or their representative for service.
- Schematic diagrams, component layout, spare part lists and other service information are available from Zenitel Marine.
WARNING!
Always disconnect the mains cable and 24 VDC power before opening the cabinet to avoid electrical chock hazard and possible damage to the equipment.
Troubleshooting
Low volume or distorted sound
- Check that all input- and output connections are properly made
- The problem occurs from both inputs:
- - Check that the loudspeaker impedance corresponds with the amplifier output.
- Distorted sound:
- - The amplifier may be overdriven. Turn the input level control(s) to a lower level until the distortion disappears. Compensate the volume loss by turning the master volume up.
- Problem on one input only:
- - Swap the two input sources. This will indicate whether the source or the input channel is faulty.
A pulsating noise in the loudspeakers
A “motorboat” like sound during music and/or announcements. The Overload lamp may light or flash.
- The sound level is too high, attempting the output to exceed its limit.
- - Reduce the master volume control until the “motorboating” disappears. Reducing the BASS control may also solve the problem.
- - Be sure the VU-meter is not in the red area.
- - Re-adjust the input level controllers if needed.
The FAULT warning lamp is on
- If the sound in the speakers are weak or absent,
- - Check the master volume setting, normally >40%
- - Check for shorted speaker line
- If the sound seems normal, perform the pilot tone adjustment. See section 4.1.3
The first green LED in the VU-meter is constantly on
It is normal that the -18 dB indicator just glows even if no external signal source is active. The reason is the 23 kHz fault detection pilot tone.
- If the light is bright, the pilot tone volume may need adjustment. See section 4.1.3
The amplifier does not operate. The Power LED is not lit
- Check the mains fuse F101 just under the mains cord.
- Check the internal voltage fuse F501. Open the cabinet and locate the fuse on the Power Rectifier board.
Fuse replacement
Mains and low voltage protection
There are two replaceable fuses:
- F101 at the mains inlet outside the cabinet
- F501 protecting the low voltage circuits on the Power Rectifier board inside the cabinet.
A blown fuse normally indicates a malfunction of the amplifier. Check for overload or other suspicious indications of excessive current drain.
Always replace with fuse of same type and value. At repeated fuse blows, contact qualified service personnel.
| FUSE | MAINS | VPA-120 | VPA-240 | VPA-400 | |||
|---|---|---|---|---|---|---|---|
| F101 | 115V | 5A | 5x20mm | 10A | 5x20mm | 20A | 5x20mm |
| 230V | 2.5A | 5x20mm | 6.3A | 5x20mm | 10A | 5x20mm | |
| F501 | 24/115/230V | 15A | 1/4" X 1" | 20A | 1/4" X 1" | 40A | 3/8" X 1/2" |
24 V out protection
A thermistor (F401) limits the current to 1 A at the ‘24 V out’ terminals. This fuse should not be changed, it will reset when the excessive current disappears.
Mains transformer protection
The mains transformer has a built-in thermal fuse. This fuse will reset automatically if tripped by too high temperature. Check that the cooling fan is working properly. It will increase speed and airflow at higher temperatures.
Technical data
| TYPE | CONDITION | VINGTOR VPA series | |||
|---|---|---|---|---|---|
| VPA-120 | VPA-240 | VPA-400 | |||
| Material | Front | Black anodized aluminium | |||
| Dimensions | W x H x D | 482 x 133 x 420 mm | |||
| Mounting | Marine version | in 19" rack | |||
| Weight | Net | 18.2 kg | 21.2 kg | 27.4 kg | |
| Temperature range | Operating | -15 to +55°C | |||
| Storage | -30 to +70°C | ||||
| Relative humidity | Non condensing | ≤95% | |||
| Operating voltage | Mains | 115/230 VAC ±10%, 50/60Hz | |||
| Battery | 24 VDC -25% +30% | ||||
| Current consumption from power source | Standby | 230 VAC | 140 mA | 150 mA | 270 mA |
| 24 VDC | 500 mA | 700 mA | 600 mA | ||
| -6 dB | 230 VAC | 0.9 A | 1.75 A | 3.1 A | |
| 24 VDC | 4.1 A | 7.5 A | 15.0 A | ||
| -3 dB | 230 VAC | 1.3 A | 2.3 A | 3.9 A | |
| 24 VDC | 5.7 A | 10.5 A | 25.0 A | ||
| 0 dB | 230 VAC | 1.7 A | 3.1 A | 5.4 A | |
| 24 VDC | 7.5 A | 15.4 A | 28.0 A | ||
| Output power, max. Alarm power @ 1kHz, 30-55°C | RMS | 230 VAC | 120 W | 240 W | 400 W |
| 24 VDC | 96 W | 172 W | 324 W | ||
| Monitor | 1 W | ||||
| Loudspeaker outputs | Call | 100 V | |||
| Call/BMG | 8 Ohm and 100 V | ||||
| Monitor | 8 Ohm | ||||
| Load resistance, 100V | 80 Ohm | 42 Ohm | 25 Ohm | ||
| Harmonic distortion | < 1% at 1 kHz at rated power | ||||
| Signal to noise ratio | 75 dB at ±5 dB | ||||
| Voltage output | 24 VDC / 800 mA | ||||
| Line output | Signal level | 0.5 - 1.5 Vrms | |||
| Impedance | 47 kOhm balanced | ||||
| Inputs Call line and BMG line | Sensitivity | 0.5 - 1.5 Vrms | |||
| Impedance | 47 kOhm balanced | ||||
| Frequency range | 50 Hz - 20 kHz ±3 dB | ||||
| Controls | Master volume | Preset on cabinet rear | |||
| Bass/Treble | ±10 dB at 100 Hz / ±10 dB at 10 kHz | ||||
| Line inputs | ±6 dB sensibility | ||||
| Chime volume | Preset on cabinet rear | ||||
| Chime ON/OFF | Switch on cabinet rear | ||||
| Monitor Volume | Preset on cabinet rear | ||||
| Indicators | Cabinet front | VU-meter - Power on - Fault - Overload | |||
| Overheat protection | Cooling | Temperature controlled cooling fan | |||
| Mains transformer | Thermal fuse | ||||
| Approvals | Safety | According to EN 60065 | |||
| Environmental | According to EN 60945, IACS E10, IEC 60533 | ||||
