Actions

WK20 - 20W Power Amplifier

From Zenitel Wiki

Power Amplier 1000614100

Features

  • Output for 1 amplified loudspeaker
  • Output level control.

Description

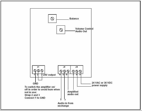
The board contains a power amplifier, a potentiometer for adjusting the output volume and an input for switching the amplifier on/off.

The symetrical input is matched to the output level on the subscriber board in the AlphaCom exchange.

The amplifier may be constantly on, or switched on and off by the M-key on the calling station. It is recommended that power to the amplifier board is supplied from a separate class II transformer. <br\> In the AlphaCom exchange, brackets must be mounted on the board, in order to fasten to the mounting rail.

Connectors and Switches

Figure 13-13: Connectors and switches on Power Amplifier

<br\><br\><br\><br\><br\><br\><br\><br\><br\><br\><br\><br\><br\><br\><br\><br\><br\><br\><br\><br\><br\><br\><br\><br\><br\><br\><br\><br\>

Technical Specifications

Text Value
Item Number 1000614100
Input signal level 1 V - 10 V
Input impedance 6kOhm
Output power<br\><br\> 20 W into 4ohm<br\>12 W into 8 ohm<br\>6 W into 20 ohm
Frequency range 140 - 20.000Hz
Max. amplification 10.5 dB
Recommended room temperature<br\> 0'C to +35'C<br\>+32'F to + 95'F
Humidity Range<br\>(non-condensing): 10% - 90% RH<br\>
Dimensions W x H x D<br\> 75mm x 84 mm x 40 mm<br\>2.9" x 3.3" x 1.6"
MediaWiki spam blocked by CleanTalk.