Inputs as Key Matrix (ICX-AlphaCom)
From Zenitel Wiki
Use Inputs As Key Matrix
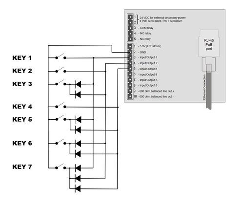
If there is a need for more than the 6 inputs available, it is possible to combine inputs in a diode matrix and use the Event Handler to process. By for example using 3 physical inputs it is possible to get 7 virtual inputs.
The different options are:
- 2 Inputs (input 1-2, Virtual Inputs 1-3)
| Input 2 | Input 1 | Virtual Input triggered |
| 0 | 1 | Virtual Input 1 |
| 1 | 0 | Virtual Input 2 |
| 1 | 1 | Virtual Input 3 |
| 0 | 0 | Inputs released |
- 3 Inputs (input 1-3, Virtual Inputs 1-7):
| Input 3 | Input 2 | Input 1 | Virtual Input triggered |
| 0 | 0 | 1 | Virtual Input 1 |
| 0 | 1 | 0 | Virtual Input 2 |
| 0 | 1 | 1 | Virtual Input 3 |
| 1 | 0 | 0 | Virtual Input 4 |
| 1 | 0 | 1 | Virtual Input 5 |
| 1 | 1 | 0 | Virtual Input 6 |
| 1 | 1 | 1 | Virtual Input 7 |
| 0 | 0 | 0 | Inputs released |
- 4 Inputs (input 1-4, Virtual Input 1-15):
| Input 4 | Input 3 | Input 2 | Input 1 | Virtual Input triggered |
| 0 | 0 | 0 | 1 | Virtual Input 1 |
| 0 | 0 | 1 | 0 | Virtual Input 2 |
| 0 | 0 | 1 | 1 | Virtual Input 3 |
| 0 | 1 | 0 | 0 | Virtual Input 4 |
| 0 | 1 | 0 | 1 | Virtual Input 5 |
| 0 | 1 | 1 | 0 | Virtual Input 6 |
| 0 | 1 | 1 | 1 | Virtual Input 7 |
| 1 | 0 | 0 | 0 | Virtual Input 8 |
| 1 | 0 | 0 | 1 | Virtual Input 9 |
| 1 | 0 | 1 | 0 | Virtual Input 10 |
| 1 | 0 | 1 | 1 | Virtual Input 11 |
| 1 | 1 | 0 | 0 | Virtual Input 12 |
| 1 | 1 | 0 | 1 | Virtual Input 13 |
| 1 | 1 | 1 | 0 | Virtual Input 14 |
| 1 | 1 | 1 | 1 | Virtual Input 15 |
| 0 | 0 | 0 | 0 | Inputs released |
The Virtual Input actions are configured from the Event Handler.
Events
Two events are required to process inputs as a matrix. Shown below are the events required for 15 inputs (2^4). You can expand this to 63 inputs (2^6) if required.
On button press
Here, we use the serial nature of the Event Handler to process the individual inputs.
By assigning a bitwise value to the input, we can add this value to a UDD associated with the physical number.
As each successive input is processed by the event handler, a total sum is derived.
Action commands:
IF %op(%sev(1),=,1) !Input 1 WUDD %1.PHY %op(%udd(%1.PHY),+,1) ENDIF IF %op(%sev(1),=,2) !Input 2 WUDD %1.PHY %op(%udd(%1.PHY),+,2) ENDIF IF %op(%sev(1),=,3) !Input 3 WUDD %1.PHY %op(%udd(%1.PHY),+,4) ENDIF IF %op(%sev(1),=,4) !Input 4 WUDD %1.PHY %op(%udd(%1.PHY),+,8) ENDIF
On button release
Here, we again rely on the serial processing of the input release.
First we check if the UDD has a value other than 0.
Then we check the value of the UDD and process the required command. This can be a $DD, $DIAL_DAK, $SM or any other DP command.
After the first round of processing, the UDD is returned to 0 so that successive input release commands do not execute.
Action commands:
IF %udd(%1.phy) IF %op(%udd(%1.phy),=,1) !Virtual Input 1 $DD L%1.DIR L101 ENDIF IF %op(%udd(%1.phy),=,2) !Virtual Input 2 $DD L%1.DIR L102 ENDIF IF %op(%udd(%1.phy),=,3) !Virtual Input 3 $DD L%1.DIR L103 ENDIF IF %op(%udd(%1.phy),=,4) !Virtual Input 4 $DD L%1.DIR L104 ENDIF IF %op(%udd(%1.phy),=,5) !Virtual Input 5 $DD L%1.DIR L105 ENDIF IF %op(%udd(%1.phy),=,6) !Virtual Input 6 $DD L%1.DIR L106 ENDIF IF %op(%udd(%1.phy),=,7) !Virtual Input 7 $DD L%1.DIR L107 ENDIF IF %op(%udd(%1.phy),=,8) !Virtual Input 8 $DD L%1.DIR L108 ENDIF IF %op(%udd(%1.phy),=,9) !Virtual Input 9 $DD L%1.DIR L109 ENDIF IF %op(%udd(%1.phy),=,10) !Virtual Input 10 $DD L%1.DIR L110 ENDIF IF %op(%udd(%1.phy),=,11) !Virtual Input 11 $DD L%1.DIR L111 ENDIF IF %op(%udd(%1.phy),=,12) !Virtual Input 12 $DD L%1.DIR L112 ENDIF IF %op(%udd(%1.phy),=,13) !Virtual Input 13 $DD L%1.DIR L113 ENDIF IF %op(%udd(%1.phy),=,14) !Virtual Input 14 $DD L%1.DIR L114 ENDIF IF %op(%udd(%1.phy),=,15) !Virtual Input 15 $DD L%1.DIR L115 ENDIF WUDD %1.phy 0 ENDIF
