Actions

CRM: Difference between revisions

From Zenitel Wiki

Line 120: Line 120:


==Cabling==
==Cabling==
'''Data Processing Board'''
'''Data Processing Board'''<br/>
Install the DPB board in the TouchLine exchange as explained in the installation instructions included with the board (TouchLine System Data Processing Board DPB 1000638710 Installation Instructions, IM 1569).
Install the DPB board in the TouchLine exchange as explained in the installation instructions included with the board (TouchLine System Data Processing Board DPB 1000638710 Installation Instructions, IM 1569).
<br/>
<br/>
'''CRM-III'''
'''CRM-III'''<br/>
Connect the CRM-III station as shown in Figure 3-1.
Connect the CRM-III station as shown in Figure 3-1.
<br/>
<br/>
'''Audio'''
'''Audio'''<br/>
Connect the station cable to the station's abcd connector.  
Connect the station cable to the station's abcd connector.  
There are two alternative station cables:  
There are two alternative station cables:  
Line 141: Line 141:
::* c - pin 7
::* c - pin 7
::* d - pin 8
::* d - pin 8
<br/>
'''Data'''<br/>
Connect the cable from DPB Port 1 (pin B42-B44) to the corresponding pins on the station.<br/>
With two more CRM-III stations, you need a Data Distribution Board (DDB) for distribution of the data. See Figure Figure 3-2.<br/>
The DDB-board has 13 identical outputs.
<br/>
'''Power'''<br/>
Connect to the local power supply (12V DC)<br/>
The data cable can have a length of up to 1400 meters (4590 feet), or more if heavier wires are used.
[[Image:CRM3-1.PNG|''Figure 3-1 Cabling for the CRM-III station and DPB Programming terminal'']]
<br/>





Revision as of 14:51, 26 November 2008

Introduction

About This Manual

This manual provides the following information about the Control Room Master (CRM-III) from Stentofon:

  • A functional description outlining the capabilities of the station
  • An installation and commissioning guide explaining how to install the station as well as elementary programming of the station and the exchange
  • A user guide summarizing how to use the function


The item numbers for the CRM-III stations are:

  • With gooseneck microphone: 100 7004 000
  • With electret microphone: 100 7003 000


Reader Group

•:* The functional description is intended for salespeople and consultants.

  • The installation and commissioning guide is written for installation personnel with a technical background, who are familiar with the functionality and programming of the relevant Stentofon exchange (TouchLine or AlphaCom).
  • The quick reference guide is intended for all users and operators of the Control Room Master. There is one section for TouchLine users, and another for AlphaCom users.


Related Documentation

Data Sheet "Control Room Master III - Model 7003" A100K10185
Manual "Control Handler System - Commissioning / User guide" A100K10174
AlphaCom Installation and Commissioning manual A100K10002
System Description, Installation & Commissioning for alphaCom 4/5 - add-on to A100K10001 and A100K10002 A100K10197


Liability

Stentofon AS and its subsidiaries assume no responsibility for any errors that may appear in its documentation, or damages arising from the information in it. No information in this publication should be regarded as a warranty made by Stentofon. This publication may be updated without notice. Product names mentioned in this publication may be trademarks. They are used only for identification.

Brief Description

This advanced control room master features a large 4 x 20 character alphanumeric display with backlight, full dialing keypad, 8 programmable single-touch keys, answer-next-in-queue key, handset, sensitive electret or gooseneck microphone and a powerful 1W loudspeaker. The station offers full loudspeaking conversation with automatic switching of the speech direction. Manual override of speech direction is also possible. The station's display provides full information on the current conversation and call queue. The information includes the directory number and name/location. An answer-next-in-queue button allows you to respond to calls according to priority and time of arrival. The station can be used with either the TouchLine or the AlphaCom exchange.

The CRM III stations complies with the EMC requirements:
EN 50081-1 Jan. 92 (emission)
EN 50082-1 Jan. 92 (Immunity)


Functional Description

Application Areas

The Control Room Master III is intended for applications with a centralized control unit such as security centers for office and industrial buildings - including elevator communications - or prisons.

Possible Configurations

You can use the CRM-III unit with a Stentofon TouchLine exchange or with an AlphaCom exchange. The CRM-III cannot be used with a TouchLine Compact exchange.
TouchLine Exchange:

  • Any size of exchange
  • Up to 15 CRM-III units pr DPB (Data Processing Board)
  • 4-line configurable display information


AlphaCom Exchange:

  • Any size of exchange
  • In an AlphaNet installation with software 06.00 the CRM-III only handles Call Requests coming in from the exchange where the CRM-III is connected
  • Any number of CRM-III units
  • 4-line display information


Features

For a TouchLine exchange, the CRM-III queuing functionality is based on the Control Handler System (CHS) software on the DPB board. For an AlphaCom exchange, the CRM-III queuing functionality is based on the AlphaCom's internal message feature.

  • 4x20 character display with backlight. See page 38 for display information in TouchLine exchange and page 42 for display information in AlphaCom exchanges.
  • Multiple call-in annunciation with full display information and different priority levels.
  • Call queue size:
- TouchLine - up to 100 inputs.
- AlphaCom - up to 1100 inputs.
  • Auto acknowledgment to call-in point by flashing station lamp. Voice message acknowledgment requires a Speech Message Board (SMB) in the TouchLine system, or an ASVP board in the AlphaCom system.
  • Buzzer indication of queue.


==Single-Touch Keys

  • Single touch access to stations, group calls, audio monitoring, public adress zones, radio channels and telephone lines.


Line Monitoring

When Line Monitoring is activated, the system status appears on the CRM-III display. For the TouchLine system, see the Call Handler documentation for details of how to display line monitoring information. Please note that special PMFR software must be installed (1000 681030). For the AlphaCom, see the AlphaCom Installation and Commissioning manual.

Microphone

  • Model 7003 has an electret microphone with automatic sensitivity adjustment.
  • Model 7004 has a goose-neck microphone with a noise-canceling feature.


Installation and Commissioning - TouchLine

Hardware and Software Requirements

  • TouchLine exchange with:
- Subscriber Board ABD-2 (1000 610120)
- PMFR board(1000 631690)
- Data Processing Board DPB (1000 638710)with CHS software Version 04.00 or later (1000 683010).
- Terminal (such as VT100 or VT200) or PC with terminal emulation for programming the DPB board.
  • Control Room Master III station (1000 700300/1000 700400)
  • Local +12V DC / 300 mA power supply for the station. (If ordering from Stentofon: EQPOW 20490 Mascot Power 6823/6-12)
  • Station cable (Hirschmann plug: EPKAB98500; RJ45 modular jack: EPKAB98510).


Optional Extras

The line monitoring feature requires special PMFR software: order no. 1000 681030. The voice message option for automatic acknowledgment to the call-in point requires a Speech Message Board (SMB, order number 1000 60000) and one free program channel for the message distribution. When there are two or more CRM-III stations, the data must be distributed via a separate Data Distribution Board (DDB - order number 1000 638850). Mount the Data Distribution Board to a mounting frame, order number 1000 614000.

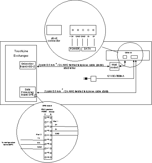
Cabling

Data Processing Board
Install the DPB board in the TouchLine exchange as explained in the installation instructions included with the board (TouchLine System Data Processing Board DPB 1000638710 Installation Instructions, IM 1569).
CRM-III
Connect the CRM-III station as shown in Figure 3-1.
Audio
Connect the station cable to the station's abcd connector. There are two alternative station cables:

  • 3-meter cable with 6-pin Hirschmann plug.
Connection:
  • a - pin 1
  • b - pin 2
  • c - pin 4
  • d - pin 6
  • 3-meter cable with RJ45 modular jack.
Connection:
  • a - pin 3
  • b - pin 6
  • c - pin 7
  • d - pin 8


Data
Connect the cable from DPB Port 1 (pin B42-B44) to the corresponding pins on the station.
With two more CRM-III stations, you need a Data Distribution Board (DDB) for distribution of the data. See Figure Figure 3-2.
The DDB-board has 13 identical outputs.
Power
Connect to the local power supply (12V DC)
The data cable can have a length of up to 1400 meters (4590 feet), or more if heavier wires are used. Figure 3-1 Cabling for the CRM-III station and DPB Programming terminal

MediaWiki spam blocked by CleanTalk.