Heavy Duty Industrial Substation - 1007083000: Difference between revisions
From Zenitel Wiki
No edit summary |
No edit summary |
||
| Line 52: | Line 52: | ||
[[image:Heavy Duty Industrial Substation 100 7083 000 Wiring.jpg|thumb|left|250px|]] | [[image:Heavy Duty Industrial Substation 100 7083 000 Wiring.jpg|thumb|left|250px|]] | ||
[[Category: Stations]] | [[Category: Stations]] | ||
[[Category: Industrial Stations]] | |||
Revision as of 11:26, 10 February 2009
Features
- Programmable call button, simplex and cancel buttons
- Rugged waterproof and dustproof casing of orange silumin (aluminium alloy)
- Noise cancelling dynamic microphone along with red microphone live lamp
- Built-in loudspeaker and possibility to connect an external loudspeaker. Sound level adjustable with a potentiometer inside the station
- Built-in 10W (8 Ohm) VOX operated power amplifier for external loudspeaker
- Screw terminals for easy connection of installation cables
- Freely programmable extension number
Description
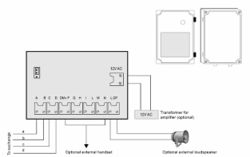
This Heavy Duty Industrial Substation is a waterproof model designed for humid, dirty and outdoor conditions. It can operate in an ambient temperature o range from -20o C to +50oC (-4oF to +122oF). The station consists of a rugged waterproof and dustproof casing (IP65) of orange silumin. The front panel is hinged to the back casing to allow easy access during installation and service. The station has screw terminals with labels and the three glands give waterproof and dustproof connection of installation cable and loudspeaker wires.
The station is equipped with a noise cancelling microphone as well as a 20 Ohm loudspeaker. The volume is adjustable with a potentiometer located inside the casing. An external 20-70 Ohm speaker can be connected or, alternatively, connect an 8-20 Ohm speaker for use with the built-in 10W (8 Ohm) VOX operated power amplifier. The power amplifier requires a separate 12V AC / 2 Amp power supply. The external speaker must be placed at least one meter away from the station.
The station is programmable for permanent private mode and is also prepared for connection of an external handset unit.
Installation
