Heavy Duty Industrial Substation - 1007083000: Difference between revisions
From Zenitel Wiki
No edit summary |
No edit summary |
||
| Line 1: | Line 1: | ||
[[image:Heavy Duty Industrial Substation 100 7083 000.jpg|thumb|250px]] | [[image:Heavy Duty Industrial Substation 100 7083 000.jpg|thumb|250px|Industrial Substation]] | ||
== | == Highlights == | ||
* Programmable call button, simplex and cancel buttons | * Programmable call button, simplex and cancel buttons | ||
* Rugged waterproof and dustproof casing of orange | * Rugged waterproof and dustproof casing of orange aluminium alloy | ||
* Noise cancelling dynamic microphone along with red microphone live lamp | * Noise cancelling dynamic microphone along with red microphone live lamp | ||
* Built-in loudspeaker and possibility to connect an external loudspeaker. Sound level adjustable with a potentiometer inside the station | * Built-in loudspeaker and possibility to connect an external loudspeaker. Sound level adjustable with a potentiometer inside the station | ||
| Line 10: | Line 10: | ||
* Freely programmable extension number | * Freely programmable extension number | ||
== | ==Additional Documentation== | ||
For more documentation please see http://www.zenitel.com/product/industrial-substation-0 | |||
== Installation == | |||
[[image:Heavy Duty Industrial Substation 100 7083 000 Installation.jpg|thumb|left|500px|]] | |||
<br style="clear:both;" /> | |||
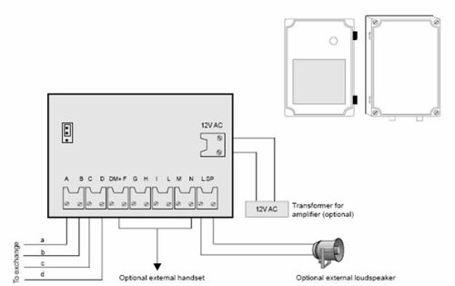
== Connections == | |||
[[image:Heavy Duty Industrial Substation 100 7083 000 Wiring.jpg|thumb|left|500px|]] | |||
<br style="clear:both;" /> | |||
== | |||
[[image:Heavy Duty Industrial Substation 100 7083 000 | |||
<br> | |||
[[Category: Stations]] | [[Category: Stations]] | ||
[[Category: Industrial Stations]] | [[Category: Industrial Stations]] | ||
Revision as of 13:41, 6 August 2015
Highlights
- Programmable call button, simplex and cancel buttons
- Rugged waterproof and dustproof casing of orange aluminium alloy
- Noise cancelling dynamic microphone along with red microphone live lamp
- Built-in loudspeaker and possibility to connect an external loudspeaker. Sound level adjustable with a potentiometer inside the station
- Built-in 10W (8 Ohm) VOX operated power amplifier for external loudspeaker
- Screw terminals for easy connection of installation cables
- Freely programmable extension number
Additional Documentation
For more documentation please see http://www.zenitel.com/product/industrial-substation-0
Installation
Connections
