TA-23: Difference between revisions
From Zenitel Wiki
No edit summary |
No edit summary |
||
| Line 1: | Line 1: | ||
[[File:TA-23.jpg|thumb|500px]] | [[File:TA-23.jpg|thumb|500px]] | ||
==Highlights== | ===Highlights=== | ||
* Rugged handset for Industrial application | * Rugged handset for Industrial application | ||
* PTT-key for simplex operation in extremely noisy environments | * PTT-key for simplex operation in extremely noisy environments | ||
| Line 12: | Line 12: | ||
*when used with Turbine Industrial Intercoms | *when used with Turbine Industrial Intercoms | ||
== | ===Dimensions=== | ||
[[File:TA-23 Dimensions 1.PNG|thumb|left|350px]] | |||
[[File:TA-23 Dimensions 2.PNG|thumb|left|350px]] | |||
[[File:TA-23 Dimensions 3.PNG|thumb|left|350px]] | |||
[[File:TA-23 Dimensions 4.PNG|thumb|left|350px]] | |||
[[File:TA-23 Dimensions 5.PNG|thumb|left|350px]] | |||
<br style="clear:both;" /> | |||
==Mounting=== | |||
[[File:TA-23.PNG|thumb|left|350px]] | [[File:TA-23.PNG|thumb|left|350px]] | ||
<br style="clear:both;" /> | <br style="clear:both;" /> | ||
==Additional Documentation== | |||
For more documentation please see http://www.zenitel.com/product/product/ta-23 | |||
[[Category: Turbine Backboxes and accessories]] | [[Category: Turbine Backboxes and accessories]] | ||
Revision as of 09:07, 18 October 2016
Highlights
- Rugged handset for Industrial application
- PTT-key for simplex operation in extremely noisy environments
- Noise-cancelling microphone
- High quality digital background noise reduction*
- HD-voice compatible*
- IP Rating: IP66
- Designed for Turbine Industrial Intercoms
*when used with Turbine Industrial Intercoms
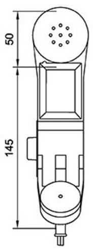
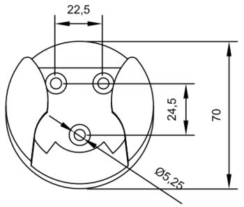
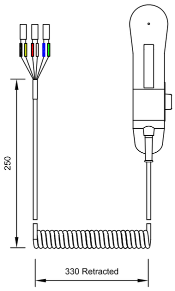
Dimensions
Mounting=
Additional Documentation
For more documentation please see http://www.zenitel.com/product/product/ta-23

