Actions

TA-23

From Zenitel Wiki

Revision as of 13:43, 3 January 2017 by Asle (talk | contribs)
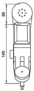
The TA-23 handset

The TA-23 handset comes with a Push-To-Talk (PTT) button and 3.5-meter long cable.

Highlights

  • Rugged handset for Industrial application
  • PTT-key for simplex operation in extremely noisy environments
  • Noise-cancelling microphone
  • High quality digital background noise reduction*
  • HD-voice compatible*
  • IP Rating: IP66
  • Designed for Turbine Industrial Intercoms
*when used with Turbine Industrial Intercoms
TA-23 Side.png


Connecting the TA-23 handset to the TFIE station

TA-23 Handset Connection on 9-Pin Terminal J8



Configuration

Handset accessory setting


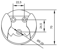
Dimensions

Additional Documentation on Zenitel.com

MediaWiki spam blocked by CleanTalk.