Power Distribution Board
From Zenitel Wiki
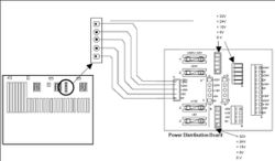
The PDB board is used to distribute power to external equipment in the AlphaCom XE26 exchange.
Features
- Distribution of power to additional equipment in the AlphaCom system
- Provides outputs for +5 V, +15 V, + 24 V, + 32 and GND in AlphaCom XE26 exchanges
- Outputs are fuse-protected
- Power is drawn from the exchange power supply
- Fastens onto mounting rail in AlphaCom exchange
- Boards may be chained to obtain a higher number of outputs.
Description
Input is from the exchange power supply. The connection is provided with a cable enclosed with the board. It plugs into the PDB board with a Phoenix connector. In the AlphaCom exchange, the power is drawn from a connector on the backplane of the Main Frame.
The board provides a range of outputs with different types of connectors. If more outputs are needed, the boards can be chained. The PDB board is fastened onto the mounting rail at the back of the AlphaCom exchange.
Connecters PDB
Installation
- Switch the power off using the mains switch at the rear of the exchange.
- Fasten the Power Distribution Board to the mounting rail beside Data Connection Board.
- Remove the back cover.
- Use the cable included with the PDB board and plug in the Mate’n Lock plug in the output for additional equipment on the backplane.
- Run the cable through the hole in the cover plate
- Plug in the cable to connector J1 on the Power Distribution Board
- Remember to replace the back covers on the cabinet before you continue.
- Switch the power on.
