Heavy Duty Industrial Master Station - 1007086000
From Zenitel Wiki
Highlights
- Master station with free access to all extensions and features
- Rugged waterproof and dustproof casing of orange aluminium alloy
- Microphone along with red microphone live lamp
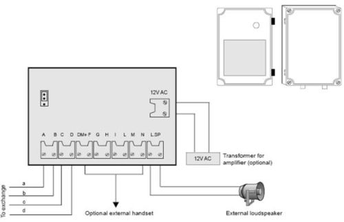
- External loudspeaker. Sound level adjustable with a potentiometer inside the station
- Built-in 10 W (8 ohm) VOX operated power amplifier for external loudspeaker
- Screw terminals for easy connection of installation cables
- Equipped with 4 direct access keys
Additional Documentation
For more documentation please see http://www.zenitel.com/product/industrial-master-station
Installation
Connections
