Speaker Dimensions & Mounting Instructions
From Zenitel Wiki
| Dimensions (WxHxD) | Weight | |
| ZIPS-C | 199 x 146 mm / 7.83" x 5.74" | 1.2 kg / 2.646 lb |
| ZIPS-H | 152 x 253x 309 mm / 5.98" x 9.96" x 12.16" | 1.85 kg / 4.079 lb |
| ZIPS-WC | 245 x 160 x 187 mm / 9.64" x 6.3" x 7.36" | 2.1 kg / 4.63 lb |
| ZIPS-HHO | 170 x 315 x 350 mm / 6.69" x 12.4" x 13.78" | 2.49 kg / 5.49 lb |
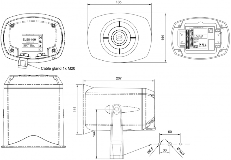
| ELSII-10HM | 186 x 144 x 207 mm | 1.8 kg |
| ELSII-10LHM | 274 x 200 x 348 mm | 1.9 kg |
| ELSII-10PM | 201 x 176 x 160 mm | 2.35 kg |
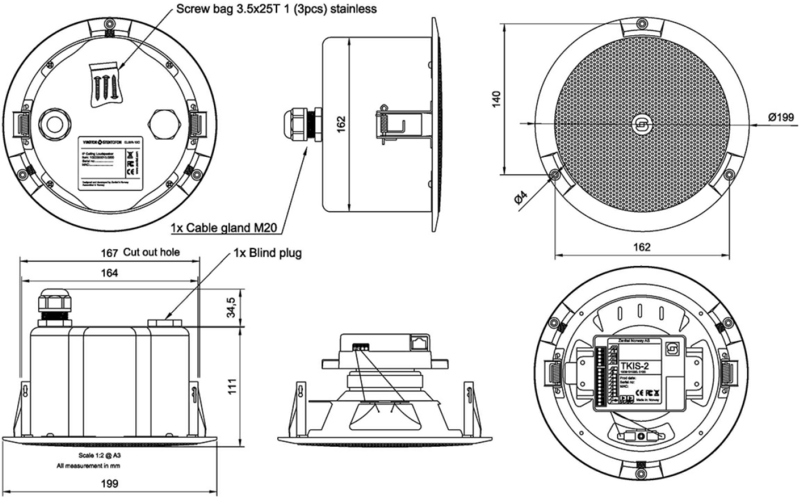
| ELSIR-10CM | 199 x 146 x 145.5 mm | 1.4 kg |
| ELSII-10WM | 160 x 255 x 189 mm | 2.1 kg |
| ELSII-10H | 186 x 144 x 207 mm | 1.8 kg |
| ELSIR-10C | 199 x 146 x 145.5 mm | 1.4 kg |
Contents
ZIPS-H Dimensions
ZIPS-HHO Dimensions
ELSII-10HM Dimensions
ELSII-10LHM Dimensions
ELSII-10PM Dimensions
ELSIR-10CM Dimensions
ELSII-10WM Dimensions
ELSIR-10C Dimensions
ELSII-10H Dimensions
