Actions

TKIS Dimensions & Mounting Instructions

From Zenitel Wiki

  Dimensions (WxHxD) Weight
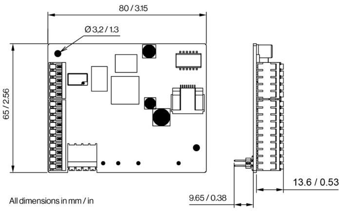
TKIS-1 65 x 80 x 25 mm 0.1 kg
TKIS-2 71 x 117 x 32 mm 0.1 kg

TKIS-1 Dimensions

TKIS-2 -Front view


TKIS-2 Dimensions

TKIS-2 -Front view TKIS-2 -Side view

MediaWiki spam blocked by CleanTalk.