Feedback control (Group Call): Difference between revisions
From Zenitel Wiki
No edit summary |
No edit summary |
||
| (30 intermediate revisions by 3 users not shown) | |||
| Line 1: | Line 1: | ||
{{A}} | |||
This article describes different solutions to overcome acoustic feedback problems during groupcall. | |||
In certain installations the population of intercom stations is so high that acoustic feedback during Group Call is difficult to avoid. Also in installations with integration to PA system, it is often a problem with acoustic feedback from overhead speakers. | |||
== | == Recall - delayed groupcall== | ||
The [[Recall|Recall function]] let you record a message from a station, and then dispatch the recorded message as a Group Call, effectively preventing possible feedback problems. | |||
The AlphaCom has a mechanism | == Voice Paging Exclusion == | ||
The AlphaCom has a mechanism “[[Groups#Voice_Paging_Exclusion|Voice Paging Exclusion]]” where up to 8 neighbour stations will be removed from a group before audio is set up. | |||
Exclusion is based on physical numbers. Configuration of exclusion is independent of the dir.no and name of a station, so exclusion info can be tuned once and will work even if the customer moves dir.nos around. If the customer moves physical numbers by patching in the distribution frames, exclusion info will have to be modified correspondingly. | Exclusion is based on physical numbers. Configuration of exclusion is independent of the dir.no and name of a station, so exclusion info can be tuned once and will work even if the customer moves dir.nos around. If the customer moves physical numbers by patching in the distribution frames, exclusion info will have to be modified correspondingly. | ||
== | == Reduce microphone sensitivity == | ||
* Banks with this number of stations should be planned with stations with low microphone sensitivity, notably gooseneck stations with directional close-talk microphones. | * Banks with this number of stations should be planned with stations with low microphone sensitivity, notably gooseneck stations with directional close-talk microphones. | ||
* Use handset when making announcements. This reduces microphone sensitivity some 10 dBs. | * Use handset when making announcements. This reduces microphone sensitivity some 10 dBs. | ||
== | == Reduce speaker volume == | ||
It’s possible to adjust all speaker levels down somewhat. This means that both conversations and group calls will have a moderate volume. | It’s possible to adjust all speaker levels down somewhat. This means that both conversations and group calls will have a moderate volume. | ||
== | == AGA Microphone Attenuators == | ||
This feature is available from AMC 08.03 (May 2000). It may require additional AGA boards. | This feature is available from [[AMC]] 08.03 (May 2000). It may require additional [[AGA]] boards. | ||
It works for single-module and multi-module exchanges, and in AlphaNet. | It works for single-module and [[MultiModule|multi-module]] exchanges, and in [[AlphaNet]]. | ||
<br | <br /> | ||
NOTE: Also slave modules must have new software! | NOTE: Also slave modules must have new software! | ||
=== How AMC routes Group Call audio === | === How AMC routes Group Call audio === | ||
==== Standard behaviour: ASLT ==== | ==== Standard behaviour: ASLT ==== | ||
The AlphaCom don’t connect a microphone directly to the backwiring timeslot that feeds the Group Call. Rather, the microphone signal is feed via a duplex scanner channel on ASLT so that the fader function of the SBI can be used to avoid clicks when the station M-key is pressed / released (microphone is connected). | The AlphaCom don’t connect a microphone directly to the backwiring timeslot that feeds the Group Call. Rather, the microphone signal is feed via a duplex scanner channel on [[ASLT]] so that the fader function of the SBI can be used to avoid clicks when the station M-key is pressed / released (microphone is connected). | ||
==== Configurable behaviour: AGA ==== | ==== Configurable behaviour: AGA ==== | ||
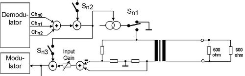
[[ | A similar SBI hardware is available on [[AGA]] boards also. In addition, the signal can be routed via the potentiometer of the channel by closing Sn1. The [[AMC]] software substitutes [[AGA]] channels for duplex scanners so that we have a way to adjust the microphone sensitivity during the problem functions only. | ||
[[Image:Bilde21.jpg|left|500px|thumb|Block diagram AGA board]] | |||
<br style="clear:both;" /> | |||
=== Use of AGA ports === | === Use of AGA ports === | ||
==== Port count ==== | ==== Port count ==== | ||
* An exchange can have max. 32 attenuator resources. This is a software limitation. | * An exchange can have max. 32 attenuator resources. This is a software limitation. | ||
* An AGA board has 8 ports that can be configured for this purpose. | * An [[AGA]] board has 8 ports that can be configured for this purpose. | ||
* An AGA port gives 2 attenuator resources. The attenuator ports do not require external wiring. | * An [[AGA]] port gives 2 attenuator resources. The attenuator ports do not require external wiring. | ||
==== Board positions ==== | ==== Board positions ==== | ||
Possible AGA ports to use: | Possible [[AGA]] ports to use: | ||
* Dedicated AGA board: 8 attenuators, plus 4 free ports. | * Dedicated [[AGA]] board: 8 attenuators, plus 4 free ports. | ||
* “End positions” of AlphaNet AGA: AlphaNet uses only the middle 6 ports, so there are 4 attenuators directly available. | * “End positions” of [[AlphaNet]] [[AGA]]: [[AlphaNet]] uses only the middle 6 ports, so there are 4 attenuators directly available. | ||
* Multi-module ring AGA port: A ring has 8 channels by default, and that’s plenty for 500 stations in normal traffic. “Stealing” two ports leaves you with 6 channels in the ring and 4 attenuators. | * [[MultiModule|Multi-module]] ring [[AGA]] port: A ring has 8 channels by default, and that’s plenty for 500 stations in normal traffic. “Stealing” two ports leaves you with 6 channels in the ring and 4 attenuators. | ||
In high traffic exchanges with two AGA ring boards, a reduction from 16 to 14 channels will not be noticeable for the users. | In high traffic exchanges with two [[AGA]] ring boards, a reduction from 16 to 14 channels will not be noticeable for the users. | ||
NOTE: The ring wires must be cut (not connected)! | NOTE: The ring wires must be cut (not connected)! | ||
==== Multi-module exchange considerations ==== | ==== Multi-module exchange considerations ==== | ||
The current implementation requires the attenuator hardware to be in the same module as the microphone feeding the group call (due to efficient use of the audio ring). | The current implementation requires the attenuator hardware to be in the same module as the microphone feeding the group call (due to efficient use of the audio ring). | ||
The “Board” table in AlphaPro only allows configuration of | The “Board” table in [[AlphaPro]] only allows configuration of [[AGA]]s in the master module. This means: | ||
* Both master and slave modules must have AGA boards for attenuation | * Both master and slave modules must have [[AGA]] boards for attenuation | ||
* The AGA boards in the slave modules must be in the same board positions as in the master module. This fact makes “borrowing” audio ring channels particularly attractive as this approach leaves all other board positions free for station line boards. | * The [[AGA]] boards in the slave modules must be in the same board positions as in the master module. This fact makes “borrowing” audio ring channels particularly attractive as this approach leaves all other board positions free for station line boards. | ||
* In a multi module exchange, the attenuators in slaves are included in the max. 32 attenuators in an exchange. This gives max. 8 simultaneous group calls in a 4-module exchange. | * In a [[MultiModule|multi module]] exchange, the attenuators in slaves are included in the max. 32 attenuators in an exchange. This gives max. 8 simultaneous group calls in a 4-module exchange. | ||
==== Busy situations ==== | ==== Busy situations ==== | ||
If no attenuators are available (all in use, or no AGA in this module), the Group Call will be set up using a standard ASLT scanner. | If no attenuators are available (all in use, or no [[AGA]] in this module), the Group Call will be set up using a standard [[ASLT]] scanner. | ||
=== Configuration in AlphaPro === | === Configuration in AlphaPro === | ||
The exchange will modify its Group Call set-up automatically if there are attenuator resources available. Commissioning is simply to tell the exchange that some [[AGA]] ports shall be used as attenuators. | |||
The exchange will modify its Group Call set-up automatically if there are attenuator resources available. Commissioning is simply to tell the exchange that some AGA ports shall be used as attenuators. | |||
(Resources become available after reset of the exchange.) | (Resources become available after reset of the exchange.) | ||
=== Commissioning of attenuators === | === Commissioning of attenuators === | ||
All attenuators must be adjusted to give identical attenuation. The AGA line level test feature 7872 has been extended to cover attenuators also. | All attenuators must be adjusted to give identical attenuation. The [[AGA] line level test feature [[Test function for AGA lines feature|7872]] has been extended to cover attenuators also. | ||
==== Procedure to find a suitable attenuation level: ==== | ==== Procedure to find a suitable attenuation level: ==== | ||
* Configure just one port as attenuator initially in AlphaPro. This way you can adjust a known pot.meter. (You actually get TWO attenuators. Use the 7872 feature to busy-mark the second one.) | [[Image:Gain Adjust (Group Call).png|left|500px|thumb|Configuration in AlphaPro]] | ||
<br style="clear:both;" /> | |||
* Configure just one port as attenuator initially in [[AlphaPro]]. This way you can adjust a known pot.meter. (You actually get TWO attenuators. Use the [[Test function for AGA lines feature|7872]] feature to busy-mark the second one.) | |||
* Try setting up group calls from different positions and adjust the pot until feedback is avoided. | * Try setting up group calls from different positions and adjust the pot until feedback is avoided. | ||
==== Procedure to set all attenuators to the same value ==== | ==== Procedure to set all attenuators to the same value ==== | ||
* Configure all attenuator ports in AlphaPro. | * Configure all attenuator ports in AlphaPro. | ||
* Dial the AGA adjustment feature 7872. | * Dial the AGA adjustment feature [[Test function for AGA lines feature|7872]]. | ||
NOTE: The station used during commissioning of levels must be in the same module as the AGA board being adjusted (similar to adjustment of multi-module ring audio). | NOTE: The station used during commissioning of levels must be in the same module as the [[AGA]] board being adjusted (similar to adjustment of multi-module ring audio). | ||
7872 connects a 500 Hz tone to the attenuator input, and a level scanner to the output. The display shows the level measurement plus the port address, much like AlphaNet channel display. | [[Test function for AGA lines feature|7872]] connects a 500 Hz tone to the attenuator input, and a level scanner to the output. The display shows the level measurement plus the port address, much like [[AlphaNet]] channel display. | ||
(The audio switches between full and attenuated tone, this is a side-effect of the general function of the 7872 AGA adjustments for AlphaNet lines) | (The audio switches between full and attenuated tone, this is a side-effect of the general function of the [[Test function for AGA lines feature|7872]] [[AGA]] adjustments for [[AlphaNet]] lines) | ||
| Line 92: | Line 88: | ||
:{|border="1" | :{|border="1" | ||
|- | |- | ||
|width="100pt"|21-7(14)...43-84<br | |width="100pt"|21-7(14)...43-84<br /> | ||
|- | |- | ||
|} | |} | ||
:|.....|....|......|....+---- Full volume level <br | :|.....|....|......|....+---- Full volume level <br /> | ||
:|.....|....|......+--------- Attenuated volume level<br | :|.....|....|......+--------- Attenuated volume level<br /> | ||
:|.....|....+---------------- AGA pot.meter number, range 1-16<br | :|.....|....+---------------- AGA pot.meter number, range 1-16<br /> | ||
:|.....+--------------------- AGA port number in AlphaPro, range 1-8<br | :|.....+--------------------- AGA port number in AlphaPro, range 1-8<br /> | ||
:+--------------------------- AGA board number | :+--------------------------- AGA board number | ||
* NOTE: Normally the range should be adjustable between 40 and 120, with zero attenuation around 80-90. (Values may vary plus/minus something). The steps correspond to 0.5 dB. | * NOTE: Normally the range should be adjustable between 40 and 120, with zero attenuation around 80-90. (Values may vary plus/minus something). The steps correspond to 0.5 dB. | ||
There are quite a few AGA boards where the input/output levels are unbalanced due to a production error, and these boards will be adjustable within 70 to 150, which probably will be of no use…. | There are quite a few [[AGA]] boards where the input/output levels are unbalanced due to a production error, and these boards will be adjustable within 70 to 150, which probably will be of no use…. | ||
* Step through the others and adjust to equal reading. | * Step through the others and adjust to equal reading. | ||
[[Category: AlphaCom features]] | |||
Latest revision as of 08:44, 11 January 2017
This article describes different solutions to overcome acoustic feedback problems during groupcall.
In certain installations the population of intercom stations is so high that acoustic feedback during Group Call is difficult to avoid. Also in installations with integration to PA system, it is often a problem with acoustic feedback from overhead speakers.
Recall - delayed groupcall
The Recall function let you record a message from a station, and then dispatch the recorded message as a Group Call, effectively preventing possible feedback problems.
Voice Paging Exclusion
The AlphaCom has a mechanism “Voice Paging Exclusion” where up to 8 neighbour stations will be removed from a group before audio is set up.
Exclusion is based on physical numbers. Configuration of exclusion is independent of the dir.no and name of a station, so exclusion info can be tuned once and will work even if the customer moves dir.nos around. If the customer moves physical numbers by patching in the distribution frames, exclusion info will have to be modified correspondingly.
Reduce microphone sensitivity
- Banks with this number of stations should be planned with stations with low microphone sensitivity, notably gooseneck stations with directional close-talk microphones.
- Use handset when making announcements. This reduces microphone sensitivity some 10 dBs.
Reduce speaker volume
It’s possible to adjust all speaker levels down somewhat. This means that both conversations and group calls will have a moderate volume.
AGA Microphone Attenuators
This feature is available from AMC 08.03 (May 2000). It may require additional AGA boards.
It works for single-module and multi-module exchanges, and in AlphaNet.
NOTE: Also slave modules must have new software!
How AMC routes Group Call audio
Standard behaviour: ASLT
The AlphaCom don’t connect a microphone directly to the backwiring timeslot that feeds the Group Call. Rather, the microphone signal is feed via a duplex scanner channel on ASLT so that the fader function of the SBI can be used to avoid clicks when the station M-key is pressed / released (microphone is connected).
Configurable behaviour: AGA
A similar SBI hardware is available on AGA boards also. In addition, the signal can be routed via the potentiometer of the channel by closing Sn1. The AMC software substitutes AGA channels for duplex scanners so that we have a way to adjust the microphone sensitivity during the problem functions only.
Use of AGA ports
Port count
- An exchange can have max. 32 attenuator resources. This is a software limitation.
- An AGA board has 8 ports that can be configured for this purpose.
- An AGA port gives 2 attenuator resources. The attenuator ports do not require external wiring.
Board positions
Possible AGA ports to use:
- Dedicated AGA board: 8 attenuators, plus 4 free ports.
- “End positions” of AlphaNet AGA: AlphaNet uses only the middle 6 ports, so there are 4 attenuators directly available.
- Multi-module ring AGA port: A ring has 8 channels by default, and that’s plenty for 500 stations in normal traffic. “Stealing” two ports leaves you with 6 channels in the ring and 4 attenuators.
In high traffic exchanges with two AGA ring boards, a reduction from 16 to 14 channels will not be noticeable for the users. NOTE: The ring wires must be cut (not connected)!
Multi-module exchange considerations
The current implementation requires the attenuator hardware to be in the same module as the microphone feeding the group call (due to efficient use of the audio ring). The “Board” table in AlphaPro only allows configuration of AGAs in the master module. This means:
- Both master and slave modules must have AGA boards for attenuation
- The AGA boards in the slave modules must be in the same board positions as in the master module. This fact makes “borrowing” audio ring channels particularly attractive as this approach leaves all other board positions free for station line boards.
- In a multi module exchange, the attenuators in slaves are included in the max. 32 attenuators in an exchange. This gives max. 8 simultaneous group calls in a 4-module exchange.
Busy situations
If no attenuators are available (all in use, or no AGA in this module), the Group Call will be set up using a standard ASLT scanner.
Configuration in AlphaPro
The exchange will modify its Group Call set-up automatically if there are attenuator resources available. Commissioning is simply to tell the exchange that some AGA ports shall be used as attenuators. (Resources become available after reset of the exchange.)
Commissioning of attenuators
All attenuators must be adjusted to give identical attenuation. The [[AGA] line level test feature 7872 has been extended to cover attenuators also.
Procedure to find a suitable attenuation level:
- Configure just one port as attenuator initially in AlphaPro. This way you can adjust a known pot.meter. (You actually get TWO attenuators. Use the 7872 feature to busy-mark the second one.)
- Try setting up group calls from different positions and adjust the pot until feedback is avoided.
Procedure to set all attenuators to the same value
- Configure all attenuator ports in AlphaPro.
- Dial the AGA adjustment feature 7872.
NOTE: The station used during commissioning of levels must be in the same module as the AGA board being adjusted (similar to adjustment of multi-module ring audio). 7872 connects a 500 Hz tone to the attenuator input, and a level scanner to the output. The display shows the level measurement plus the port address, much like AlphaNet channel display. (The audio switches between full and attenuated tone, this is a side-effect of the general function of the 7872 AGA adjustments for AlphaNet lines)
- Step to the channel used for tuning and read the level.
The display looks like this:
21-7(14)...43-84
- |.....|....|......|....+---- Full volume level
- |.....|....|......+--------- Attenuated volume level
- |.....|....+---------------- AGA pot.meter number, range 1-16
- |.....+--------------------- AGA port number in AlphaPro, range 1-8
- +--------------------------- AGA board number
- NOTE: Normally the range should be adjustable between 40 and 120, with zero attenuation around 80-90. (Values may vary plus/minus something). The steps correspond to 0.5 dB.
There are quite a few AGA boards where the input/output levels are unbalanced due to a production error, and these boards will be adjustable within 70 to 150, which probably will be of no use….
- Step through the others and adjust to equal reading.
