TAX-2B: Difference between revisions
From Zenitel Wiki
No edit summary |
No edit summary |
||
| Line 13: | Line 13: | ||
[[File:TAX-22b connections.PNG|thumb|left|400px|Connecting TAX-2b Plugbox to TFIX series Intercoms]] | [[File:TAX-22b connections.PNG|thumb|left|400px|Connecting TAX-2b Plugbox to TFIX series Intercoms]] | ||
<br style="clear:both;" /> | |||
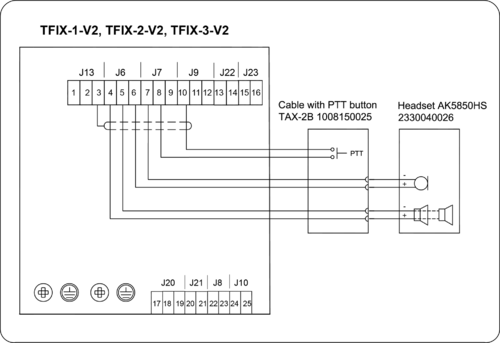
==Connecting TAX-2b Plugbox to TFIX-V2 series Intercoms== | |||
Connect the wire ferrules on the Plugbox cable to the connectors according to the pin configuration below. Note that the black (shield) wire is labeled '''MIC-''' and the black (main shield) wire is labeled '''GND'''. | |||
[[File:Connection of Headset AK5850HS and Plugbox TAX-2B on TFIX-V2.png|thumb|left|500px|Connection of Headset AK5850HS and Plugbox TAX-2B on TFIX-V2]] | |||
<br style="clear:both;" /> | <br style="clear:both;" /> | ||
Revision as of 14:10, 28 January 2022
TAX-2b is an Ex-Approved Plugbox & Cable for Headset with PTT.
Highlights
- 10m cable for EX-areas
- Compact, rugged plugbox with PTT for Industrial application
- IP Rating: IP66
- For use with Headset - AK5850HS
- Designed for Exigo & Turbine EX explosion-proof intercoms
Connecting TAX-2b Plugbox to TFIX series Intercoms
Connect the wire ferrules on the Plugbox cable to the terminal block according to the pin configuration below. Note that the black (shield) wire is labeled MIC- and the black (main shield) wire is labeled GND.
Connecting TAX-2b Plugbox to TFIX-V2 series Intercoms
Connect the wire ferrules on the Plugbox cable to the connectors according to the pin configuration below. Note that the black (shield) wire is labeled MIC- and the black (main shield) wire is labeled GND.
