Mobile radio interface: Difference between revisions
From Zenitel Wiki
(→TKIE) |
(→TKIE) |
||
| Line 8: | Line 8: | ||
*The TKIE provides signals for audio out, audio in and a contact closure for keying of the radio transmitter. These signals are connected to the mobile radio system. | *The TKIE provides signals for audio out, audio in and a contact closure for keying of the radio transmitter. These signals are connected to the mobile radio system. | ||
[[Image:MobileRadio-TKIE-WiringDetails.png|thumb|left|300px|TKIE connections for interface with mobile radio. Image shows relay 1 (output 7) used for transmitter keying.]] | [[Image:MobileRadio-TKIE-WiringDetails.png|thumb|left|300px|TKIE connections for interface with mobile radio. Image shows relay 1 (output 7) used for transmitter keying.]] | ||
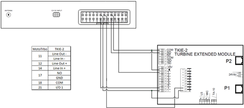
[[Image:MobileRadio-TKIE2-WiringDetail.png|thumb|center| | [[Image:MobileRadio-TKIE2-WiringDetail.png|thumb|center|500px|Details of connection between TKIE-2 and MotoTrbo DM4xxx.]] | ||
<br style="clear:both;" /> | <br style="clear:both;" /> | ||
Revision as of 13:34, 9 November 2017
The AlphaCom can be interfaced to non-selective mobile radio systems via an FBSAR board, an IP-ARIO or through a Turbine Extended kit (TKIE), hereafter called the interface. The audio coming from the mobile radio gateway is distributed to the intercom stations in the AlphaCom by using the simplex conference feature. A user can listen to the radio conference by dialing the appropriate conference directory number 8201 - 8250. Any number of stations can listen in. The M-key of the station works as a PTT button. A user can press the M-key to talk back to the radio and to all other stations listening to that radio conference. When the M-key is pressed an RCO is operated. The RCO triggers a relay, which is used for keying the radio transmitter. Restrictions can be set on which stations are allowed to do talkback, and which stations are allowed to listen only.
Connections
TKIE
- The TKIE provides signals for audio out, audio in and a contact closure for keying of the radio transmitter. These signals are connected to the mobile radio system.
IP-ARIO
- The IP-ARIO provides signals for audio out, audio in and a contact closure for keying of the radio transmitter. These signals are connected to the mobile radio system.
FBSAR
- The FBSAR board provides signals for audio out, audio in and a contact closure for keying of the radio transmitter. These signals are connected to the mobile radio system.
- Towards the AlphaCom the FBSAR board is connected to a free ASLT subscriber port with a-, b-, c- and d-wires. An RCO signal is required for the relay operation. The FBSAR must be powered by 24VDC from the exchange.
- There are four jumpers on the FBSAR, S1 to S4, they should all be set in the "down" position (2-3).
- Two potentiometers on the FBSAR allows you to adjust the input and output signal levels
AlphaPro programming
The IP-ARIO and the TKIE must be configured to register to the AlphaCom through the IP network.
IP-ARIO Audio License
In AlphaPro, Users & Stations window, click the Station Type tab. Under IP-ARIO, enable the Request Audio License flag.
Default Speaker
The interface must be set as a 'Default Speaker' in the conference. From the AlphaPro main menu select the button 'Simplex Conference', pick a free conference from the list box, and set the interface as a 'Default Member'. Check the flag "Default Member is Default Speaker".
RCO Operation
One relay is used for keying the transmitter. The relay in the interface is controlled by the RCO command in the event handler. The relay outputs of the interface needs to be mapped to a logical RCO.
The RCO is configured in the Event Handler. In the Users & Stations window, highlight the interface in the listbox, and select the button Events. Press Insert to create an event with the following parameters (here RCO 1 is used as an example):
Event Owner: The interface Event type: 1 – Audio Subtype: 64 When change to: ON or OFF Action: RCO 1
Set restrictions on Talkback (optional)
Each Simplex Conference has a 'Minimum Talk Priority' setting, with four levels available:
- Low (default)
- Medium
- High
- Alarm
Each station has a similar 'SX Conf. Talk Priority' setting (Users & Stations -> User Preferences tab) which must be higher than the setting of the conference, else the station can only listen to that conference.
All conferences are by default set to "'Minimum Talk Priority' = Low", and all stations are by default set to "Medium". I.e. all stations are allowed to do talkback.
