INCA Video Doorstation Board Connectors
From Zenitel Wiki
This chapter gives details about connections and indications for IP Video Doorstations:
InterCom board Connections
LAN port P1 & AUX port P2
P1:
RJ45 LAN connector for 10/100 Mbit Ethernet connection. The station can be powered from this connection if the line supports Power over Ethernet (PoE).
P2:
RJ45 connector for auxiliary equipment like IP camera, PC or a second IP station. This port does not have an individual IP address. It does not carry power for auxiliary equipment.
P3 - External Loudspeaker, Relay Output and External Power Input
6-pin plug-on screw terminal for external connections.
- Pin 1/2: Connected to station loudspeaker. May also be used for 8-20 ohm / 2W external loudspeaker in parallel.
- Pin 3/4: Internal NO (Normally Open) relay contact for door lock control, etc. Contact rating: Current: max 1A. Voltage: max 60 VDC. Power: max 30 W DC.
- Pin 5/6: Connected to 24 VDC for station power when power is not distributed via LAN. Pin 6 is positive.
About the relay: The relay actually has a change-over contact. On the screw terminal you have NO (Normal Open) contact only, but NC (Normal Closed) contact is also available between connector P3 - pin 4 and the soldering pad TP7.
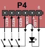
P4 - Inputs and Station LED
6-pin plug-on screw terminal for internal connections.
- Pin 1/4: Call button no. 1
- Pin 2/4: Call button no. 2 or logical input
- Pin 3/4: Call button no. 3 or logical input
- Pin 5/6: Station LED for call and message information
TP1/TP2 - Line Output
0 dB, 600 ohm balanced audio output for connection to a power amplifier.
Note:
The amplifier input MUST BE AN AC COUPLED INPUT (transformer, capacitors, etc.).
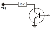
TP9 - Output
Logical output for a spare relay driver, max. 30 mA.
Additional DAK-keys, M- and C-key
The IP substation board supports input for digits 0 - 9, 10 DAK-keys, as well as M-key and C-key. The inputs are available on soldering pads on the substation PCB.

DAK 1: N115 + N112 DAK 2: N115 + N113 DAK 3: N115 + N114 DAK 4: N105 + N110 DAK 5: N105 + N111 DAK 6: N105 + N112 DAK 7: N105 + N113 DAK 8: N105 + N114 DAK 9: N105 + N115 DAK 10: N106 + N110 ------------------- M-key: N115 + N111 C-key: N115 + N110
Inputs for digit keys
If more than 10 DAK keys are needed, it is possible to use the digit keys as DAK keys. The function needs to be enabled by the flag "Digit Key is DAK" in the Users & Stations > Station Type menu in AlphaPro. The regular DAK keys are then moved to DAK 11 - 20.
Digit 0: N111 + N110 Digit 1: N112 + N110 Digit 2: N112 + N111 Digit 3: N113 + N110 Digit 4: N113 + N111 Digit 5: N113 + N112 Digit 6: N114 + N110 Digit 7: N114 + N111 Digit 8: N114 + N112 Digit 9: N114 + N113
The keyboard matrix

KEY0 = N110 KEY1 = N111 KEY2 = N112 KEY3 = N113 KEY4 = N114 KEY5 = N115 KEY6 = N105 KEY7 = N106 KEY8 = N107
Interface Board Connections
Hardware version 0.1
P1:
- LAN Port
P3:
- 1&2: Loudspeaker 4ohm/2W (already connected)
- 3&4: NO Relay - Potential free relay contact, max 1A/24V
- 5: 0V*
- 6: 24V*
*External power supply, 21-27VDC/0.5A. Attention! Not simultaneously with PoE!
X2:
Button Module 2B:
- GND (ground for illumination)
- I_LED (background illumination (+5V))
- NC
- Z1 (first button) DAK2
- Z2 (second button) DAK3
- GND (reference point buttons)
Call Button (Board version 0.1):
- 7: RT (for red LED (red cable))
- 8: GR (for green LED (green cable))
- 9: SW (closer (button))
- 10: SW (closer (button))
X3:
Button Module 4T:
- NC
- GND (NC)
- I_LED (background illumination)
- LED_ON (grounding for illumination)
- Z1 (1st button) DAK4
- Z2 (2nd button) DAK5
- Z3 (3rd button) DAK6
- Z4 (4th button) DAK7
- "GND" (reference point buttons)
Hardware version 0.2/0.3/1.0
P1:
- LAN Port
P3:
- 1&2: Loudspeaker 4ohm/2W (already connected)
- 3&4: NO Relay - Potential free relay contact, max 1A/24V
- 5: 0V*
- 6: 24V*
*External power supply, 21-27VDC/0.5A. Attention! Not simultaneously with PoE!
X2:
Call Button (Board version 0.2):
- RT (for red LED (red cable))
- GR (for green LED (green cable))
- SW (closer (button))
- SW (closer (button))
X3:
Button Module 2T (Board version 0.2):
- GND (ground for illumination)
- I_LED (background illumination (+5V))
- NC
- Z1 (first button) DAK2
- Z2 (second button) DAK3
- GND (reference point buttons)
X4:
Button Module 4T (Board version 0.2):
- NC
- GND (NC)
- I_LED (background illumination)
- LED_ON (grounding for illumination)
- Z1 (1st button) DAK4
- Z2 (2nd button) DAK5
- Z3 (3rd button) DAK6
- Z4 (4th button) DAK7
- "GND" (reference point buttons)
